はじめに
全国的な傾向と同様に,当市においても車両火災が増加傾向にあります。車両火災の増加要因については,車両が放火のターゲットになっていることもありますが,これら人的要因以外,車両の構造的な問題による火災も,例年同程度発生しています。構造上の問題のある火災については,構造や機能等を考えつつ,熱やスパークによる出火のメカニズムを究明し,予防対策にフィードバックする必要があります。
今回は公共路線バスの出火究明事例とメーカーの回収洩れとなっていた改善対策対象車からの出火事例を紹介します。
事例1(公共路線バスの火災)
1 発生概要
路線バスが,出発の時間まで暖機運転をしながら待機している時,突然ドアの開放を知らせるアナウンスが流れ,次いで左タイヤハウス付近から煙りが噴出,運転手が後部に回ると,スタータが燃焼していたため,バスに備え付けの消火器により消火したものです。
2 焼損状況
シャーシに遣わしてあるワイヤーハーネス(東ね配線)のうち,後輪タイヤハウス上部のシャーシフレーム内に通っている部分とスタータ部分,離れた2箇所の位置で焼損していた。
3 発生のメカニズムの検討
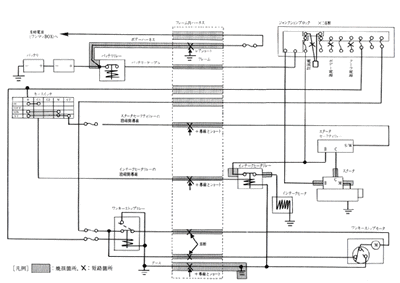
ワイヤーハーネス及びスタータの焼損状況や配線の溶断状況から,フレーム内のワイヤーハーネスからの出火,あるいはスタータからの出火が考えられるため,出火前後の状況と電気回路の形成状況を考察した。(図1・2)

写真1 出火した路線バス

写真2 ワイヤーハーネスの焼損状況

図1 出火したハーネスの回路図

図2 出火のメカニズム
(1) 火災発生前後の状況
- ① 7時前に駐車場において,運行前点検を終え,暖機運転後7時20分ころバスプールに向かって出発した。
- ② 約5キロメートル走行し,バスプールに到着後,出発時間まで待機中,次のような異常が発生した。(エンジン回転)
- ● 突然,ドアーの開放を知らせるアナウンスが流れ,後部ドアーが開く。
- ● 後部車輪付近から白煙が噴出し,黒煙と変わってくる。
- ● エンジンの停止操作(電気的燃料カット)をしたが,エンジンは停止せず。
- ● ギヤーを入れて,強制的にエンストさせる。
- ● 後部に回り,エンジンカバーを開けると,エンジン右側のスタータモータ付近が燃焼し,スタータが真っ赤になっていた。
- ③ 運転手が,バスに備え付けの粉末消火器により消火した。
(2) 電気回路の形成とトラブル発生状況の検証
ワイヤーハーネスが被覆の損傷により,別回路を形成した状況と熱及びスパークにより火災発生時の状況を照合すると図2出火のメカニズムのようになる。
4 出火原因(結論)
シャーシフレーム内で,ワイヤーハーネスがボディーとの接触により配線の被覆が摩耗し,導線がむき出しとなりフレームとレアーショート。被覆の焼損と共に他の回路(スタータ回路)を形成し,ロック状態のエンジンにスタータ電流が流れ,スタータが出火に至ったもの。
5 構造上の問題点
ワイヤーハーネスは,樹脂製クランプによりフレームに止められていたが,クランプの老朽化とともに固定機能が低下し,ワイヤーハーネスの振れによるフレームとの接触で被覆が損傷したものである。
出火車両は,昭和63年式で約57万キロメートル走行していたが,これを期に同様車両については,図3のようにリコール処理された

図3 改善箇所説明図
事例2(オルタネーターからの火災)
改善対策対象車(一部はリコール)となっているオルタネーター(交流発電機)からの出火事例で,当市において,同一型式のオルタネーターからの出火が平成9年から昨年末の3年間に7件発生しています。
火災のあった車両は,いずれも中古車で車両を購入した二次,三次ユーザーが使用していたもので,車両の欠陥に気づかずに運行していたものです。
1 出火時の車両の状況(共通点)
- (1) 年式から約10年程度経過し,約10万キロメートル以上走行している。
- (2) 出火時,クーラーやヘッドライトを点灯させるなど大容量の電気を使用しているなど,夏季の夜間に発生している。
- (3) 出火の直前にチャージランプが点灯している。
2 出火車両の一例
- (1) 焼損状況
乗用車(2,000cc,平成元年初年度登録,走行距離約16万キロメートル)のオルタネーター(交流発電機,ACジェネレーター)から出火し,エンジン部の一部焼損した。 - (2) 出火原因
当該車両には,若干のオイル漏れが認められたが,運行上特に,顕著な異常のある症状は示していなかった。
エンジンルーム内の高温度により,オルタネーターの整流器部分の樹脂部分が収縮したことにより,導通不良を起こしてレクティファイヤー(整流器)のマイナスフィンとボルトやリヤエンドカバーとの間で電気的火花が発生し,出火したもの。 - (3) 鑑識結果
- ① リヤエンドカバーはアルミ製で,写真4のようにオルタネーターにボルトで固定されているが,3本のボルト穴の周囲が溶融して焼損し,溶融箇所には溶痕が認められ,この箇所で電気的火花を受けていたものと考えられる。(写真1~5)
- ② 一方,リヤエンドカバーを固定しているボルトは3本ともネジ山の途中から先細りしていた。また,その溶断位置はマイナスフィンのリヤエンドカバー側の面と一致するため,この溶断箇所で電気的火花を受けていたと考えられる。

写真1 焼損したエンジンルーム

写真2 オルタネーター

写真3 整流器(レクティファイヤ)

写真4 リヤエンドカバーの焼損状況の比較

写真5 ボルトの溶断状況
3 参考(リコール制度とは?)
欠陥車による事故を未然に防止し,自動車ユーザー等を保護することを目的とするものであり,道路運送車両の保安基準に適合しなくなるおそれ,又は適合していない状態があった場合,その旨を運輸省に届け出て自動車を回収し無料で修理する制度(リコール)です。
また,このリコール制度の他に,自動車制作者等が,自動車等の構造,装置又は性能が基準不適合状態ではないが安全上又は公害防止上放置できなくなるおそれがある又は放置できないと判断される状態で原因が設計又は製作の過程にある場合にその旨を運輸省に届け出て自動車を回収し無料で修理する「改善対策制度」がある。
(運輸省ホームページから抜粋)
